Collection: BELL FRONT END LOADER L2106D

WORK IN PROGRESS 

Deere Models: 444H, 444J, 444JR, 544H, 544J, 624H, 624J, 644H, 644J, 724J, 744H, 744J, 824J, 844J

Bell Models: L1506D, L1706D, L1806D, L2106D, L2606D, L2706D

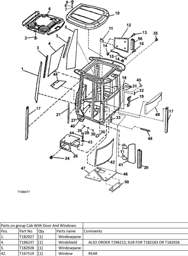
WS - T196237

WS LH - T182927

WS RH - T182928

DOOR LH - T167508

DOOR RH - T167527

ROD LH -T178221

ROD RH - 

RCG - T167519

 

 

 https://drive.google.com/drive/u/0/folders/1Bjqn3iwgTaEHQofqcWUeGyH9pD9UZrlF

 

 

 

 

BELL FRONT END LOADER L2106D

No products found
Use fewer filters or remove all